電接點壓力表

- AK-SX7083流量積算儀
- ◆ 本儀表適合于蒸汽和一般氣體的測量,可用于內部計量和貿易計量。 ◆ 本儀表符合新版流量積算儀檢定規程《JJG1003-2016》 ◆ 本安裝使用手冊是以具備一定的流量計經驗知識為對象編寫的,使

- 數顯壓力表
- AK-SXYLB數字壓力表為全電子結構。前端采用高精度壓阻式壓力傳感器,輸出信號由高精度,低溫漂的放大器放大處理,送入高精度的A/D轉換器,轉換成微處理器可以處理的數字信號,經過運算處理,

- 乙酸乙酯液位計
- 乙酸乙酯液位計是公司引進吸收國外同類產品,并加以提高的產品。系列產品可以做到高密封、防泄漏和在高溫、高壓、高粘度、強腐蝕性條件下可靠地測量液位,全過程測量無盲區
電接點壓力表
|
|
|||||||||||||||||||||||||||||||||||||||||||||||||||||||||||||||||||||||||
|
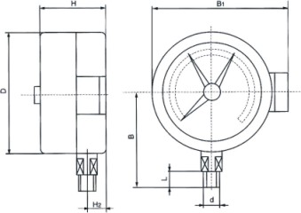
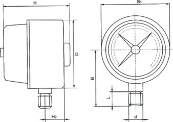
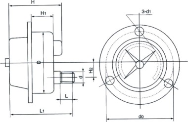
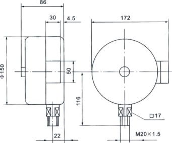
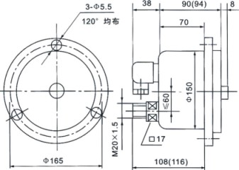
電接點壓力表適用于測量對銅合金無腐蝕、無爆炸危險、非結晶的各種液體、氣體等介質壓力。儀表經與相應的電氣器件配套使用,可達到對被測壓力系統實現預先設定的zui大或zui小壓力值的雙位自動控制和發信(報警)的目的。 |
|||||||||||||||||||||||||||||||||||||||||||||||||||||||||||||||||||||||||
|
|
|||||||||||||||||||||||||||||||||||||||||||||||||||||||||||||||||||||||||
|
儀表由測量系統、指示裝置、磁助電接點裝置、外殼、調節裝置及接線盒等組成。 |
|||||||||||||||||||||||||||||||||||||||||||||||||||||||||||||||||||||||||
|
|||||||||||||||||||||||||||||||||||||||||||||||||||||||||||||||||||||||||
|
|
|||||||||||||||||||||||||||||||||||||||||||||||||||||||||||||||||||||||||
|
|
|||||||||||||||||||||||||||||||||||||||||||||||||||||||||||||||||||||||||
|
|
|||||||||||||||||||||||||||||||||||||||||||||||||||||||||||||||||||||||||
|
YX-100 YXC-150 ZX-100ZT YXC150 |
|||||||||||||||||||||||||||||||||||||||||||||||||||||||||||||||||||||||||
|
|
|||||||||||||||||||||||||||||||||||||||||||||||||||||||||||||||||||||||||
|
|
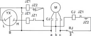
圖中:JZ1、JZ2—繼電器及觸點 |
||||||||||||||||||||||||||||||||||||||||||||||||||||||||||||||||||||||||
|
|
|||||||||||||||||||||||||||||||||||||||||||||||||||||||||||||||||||||||||
|
|
|||||||||||||||||||||||||||||||||||||||||||||||||||||||||||||||||||||||||
|
|
|||||||||||||||||||||||||||||||||||||||||||||||||||||||||||||||||||||||||
|
|
|||||||||||||||||||||||||||||||||||||||||||||||||||||||||||||||||||||||||
|
|||||||||||||||||||||||||||||||||||||||||||||||||||||||||||||||||||||||||
<
相關資訊
聯系奧科
固話:0517-86919886
傳真:0517-86919886
手機:15261725556
地址:江蘇金湖縣工業園區工一路









